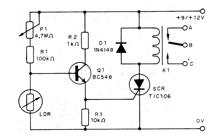
El corte de la luz que incide en el LDR, incluso de una fuente distante o muy débil, hace que el relé dispare y así permanezca, aunque la luz sea restablecida.
El uso de un transistor en el disparo del SCR toma este circuito extremadamente sensible, pudiendo ser usado como alarma, como detector de corriente de luz, etc.
En la figura 1 tenemos el circuito completo de la alarma.
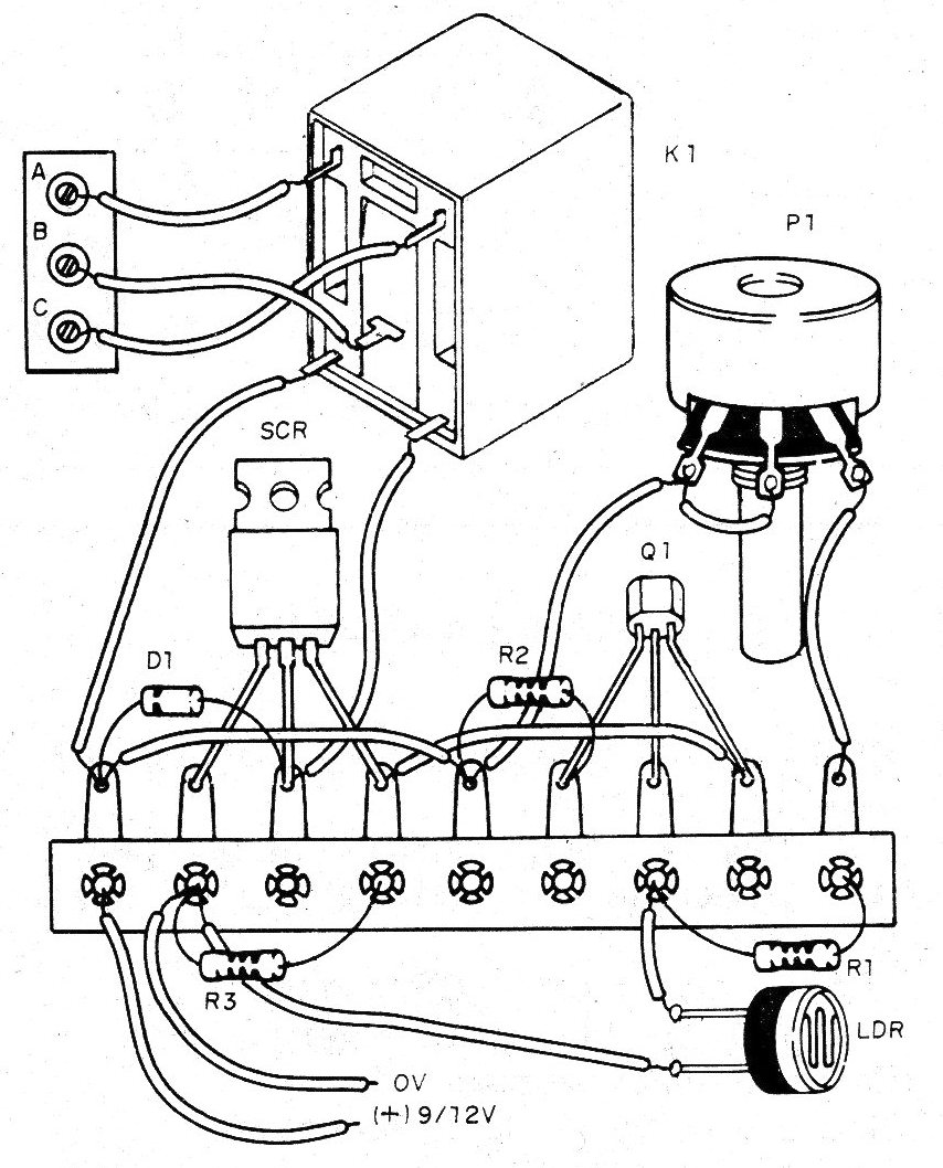
En la figura 2 tenemos el montaje teniendo como base un puente .de terminales, que puede instalarse después en una caja plástica.
Podemos alimentar el circuito con 9 V caso en que el relé indicado será de 6 V debido a la caída de 2 V en el SCR, o con 12 V caso en que el relé sea de 12 V.
Para ajustar el circuito basta con iluminar el LDR, que debe estar instalado en un tubo opaco para mayor sensibilidad.
Apuntando el LDR a una pared clara ya tenemos suficiente luz para su funcionamiento.
Ajustamos P1 hasta obtener el disparo.
Desligamos por un momento la fuente y volvemos el ajuste de P1 un poco.
Al conectar la fuente, el aparato debe mantenerse apagado hasta que un nuevo corte de luz sobre el LDR provoca el disparo.
LISTA DE MATERIAL
Q1 - BC548 o equivalente - transistores NPN de uso general
SCR - TIC106 a 50 V o más
D1 - 1N4148 - diodo de silicio de uso general
K1- Relé de 6 o 12 V - ver texto
LDR1 - LDR de 1 ó 2,5 cm
P1 - 4,7 M ohms - trimpot o pote
R1 - 100 k ohms x 1/8 W - resistor (marrón, negro, amarillo)
R2 - 1 k ohms x 1/8 W - resistor (marrón, negro, rojo)
R3 - 10 k ohms x 1/8 W - resistor (marrón, negro, naranja)
Varios: puente de terminales, botón para P1, hilos, terminales con tornillos para conexión del relé, hilos, soldadura, etc.





