A falta de un circuito para amplificar las señales de un termopar en un control de temperatura u otra aplicación industrial, la configuración mostrada en la figura 1 puede ser una solución interesante.
El CA3140 consiste en un amplificador operacional con transistores de efecto de campo de unión (JFET) en la entrada, lo que le dota de una impedancia de entrada extremadamente elevada.
La ganancia del circuito es dada por la relación entre R3 y R1, pudiendo valores de componentes que pueden ser alterados conforme a la aplicación.
Observe que la fuente de alimentación utilizada no necesita ser simétrica, pero debe tener un excelente filtrado debido a la elevada ganancia del circuito.
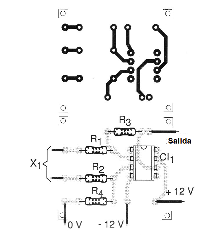
En la figura 2 tenemos una sugerencia de placa de circuito impreso para el montaje de esta aplicación.
También informamos que los amplificadores operativos equivalentes como los de la serie TL070 y TL080 pueden ser experimentados.
LISTA DE MATERIAL
CI-1 - CA3140 - amplificador operacional
R1, R2 - 100 k ohms x 1/8 W - resistores - marrón, negro, amarillo
R3, R4 - 1,5 M ohms x 1/8 W - resistores - marrón, verde, verde
Varios:
Placa de circuito impreso, fuente de alimentación de 12 V, hilos, soldadura, etc.





