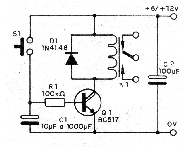
En la figura 1 tenemos un temporizador simple que utiliza sólo un supertransistor BC517 y que acciona un relé por intervalo de tiempo que depende tanto del valor de C1 y de R1.
El lector podrá aumentar aún más el valor de R1 para obtener mayores intervalos de accionamiento, pero este componente estará limitado a valores entre 470 k ohms e1 M ohms y el valor exacto se determinará experimentalmente.
Presionando S1 el relé cerrará sus contactos y así permanecerá por un cierto intervalo de tiempo.
Este tiempo es justamente dado por la descarga de C1 a través de R1 y también del supertransistor usado.
La disposición de los componentes de este proyecto en una placa de circuito impreso se muestra en la figura 2.
Dependiendo de la tensión de alimentación podemos utilizar relés de 6 o de 12 V.
Los tipos indicados poseen contactos que controlan corrientes de hasta 2 A.
Lista de material
Q1 - BC517 - transistor Darlington
D1 - 1N4148 - diodo de uso general
S1 - Interruptor de presión NA
K1 - Relé de 6 o 12 V
R1 - 100 k ohms - resistor - marrón, negro, amarillo
C1 - 10 uF a 1 000 uF - capacitor electrolítico
C2 - 100 uF - capacitor electrolítico
Varios:
Placa de circuito impreso, hilos, soldadura, etc.





