La fuente de alimentación que se muestra a continuación sirve para proporcionar tensiones continuas entre 3 y 12 V a pequeños aparatos cuya corriente consumida no exceda los 100 mA. Como se trata de una fuente "directa", es decir, sin aislamiento de la red de energía, sólo aparatos que estén encerrados en cajas aislantes deben ser alimentados.
Esta fuente de alimentación utiliza muy pocos componentes, y no necesita transformador. La tensión de salida dependerá del diodo zener elegido.
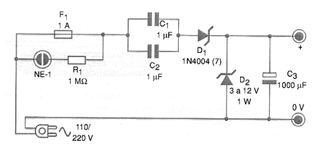
Vea que la ausencia del transformador representa el peligro de choques en caso de contacto de ahí que sea muy importante que se instale en caja plástica. El montaje es muy simple y existe una protección para el caso de cortocircuitos que es el fusible.
Si este fusible se quema, la lámpara indicadora se encender, indicando la necesidad de su sustitución. En la figura 1 tenemos el diagrama completo de esa fuente.

En la figura 2 mostramos el montaje en un puente de terminales, que debe instalarse en una caja plástica.

El capacitor C3 es responsable del filtrado de la fuente, debiendo ser el mayor posible. Si se alimentan aparatos de audio, como pequeñas radios, amplificadores, transmisores y aparecen roncos es señal de que este componente debe ser mayor.
Los valores hasta 4 700 uF deben ser experimentados, con tensión mínima de trabajo que sea el doble de la tensión del diodo zener usado.
Los capacitores C1 y C2 son muy importantes en este circuito. La versión original requiere capacitores de poliéster (no utilice otro tipo) de 1 uF con tensión de trabajo de al menos 250 V si la red es de 110 V y al menos 400 V si la red es de 220 V.
El diodo D1 es el 1N4004 si la red es de 110 V o 1N4007 si la red es de 220 V. La posición del diodo zener, que debe ser de 1 W debe ser observada, teniendo como referencia el rango en la envoltura.
Para la conexión al aparato alimentado utilice una cabina con un enchufe apropiado, observando la polaridad o incluso dos hilos con garras de color diferente, si el aparato alimentado no tiene un conector para alimentación externa.
Antes de usar la fuente mida la tensión de salida con el multímetro, para asegurarse de que es correcta. Una gran diferencia de calor indica problemas con el diodo zener o los condensadores. Nunca intente alimentar aparatos cuyo consumo sea mayor de 100 mA.
Lista de material
D1 - 1N4004 o 1N4007 - diodo rectificador - ver el texto
DZ - Diodo zener de 3 V a 12 V x 1 W
NE-1 - lámpara de neón común
C1, C2 - 1 uF x 250 V o 400 V - capacitores de poliéster - ver el texto
C3 - 1 000 uF – capacitor electrolítico
R1 - 1 M ohms x 1/8 W - resistor - marrón, negro, verde
F1 - Fusible de 200 mA a 500 mA
Varios:
Cable de alimentación, puente de terminales, caja para montaje, soporte para fusible, hilos, soldadura, etc.



