Es un circuito interesante para monitorear la alimentación de circuitos trifásicos.
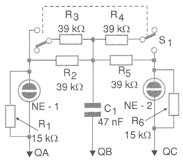
El circuito mostrado en la figura 1 permite comprobar la secuencia de las fases de un sistema trifásico.
Cuando la lámpara de neón en la fase C está encendida, la secuencia es correcta.
Cuando la lámpara neón de la fase A está encendida entonces la secuencia de fases es incorrecta.
La llave permite seleccionar cuando el circuito funciona con una fuente de 230 V. En la condición normal, el circuito opera con fuentes de 480 V.

En la figura 2 tenemos el montaje de esta solución en una placa de circuito impreso.
LISTA DE MATERIAL
NE-1, NE-2 - Lámparas de neón comunes
C1 - 47 nF x 400 V - capacitor de poliéster
R1, R2, R3, R4 - 39 k ohms x ½ W - resistores
S1 - Llave de 2 polos x 2 posiciones
Varios:
Placa de circuito impreso, garras de prueba, caja para montaje, hilos, soldadura, etc.




