Las señales secuenciales en patrones determinados por el arreglo de diodos del circuito de la figura 1 pueden ser usados para el control de máquinas en pocas operaciones programadas.
Tenemos entonces la posibilidad de elaborar un micro-PLC para control de dispositivos que pueden ser accionados a partir de relés conectados en la salida de los diodos.
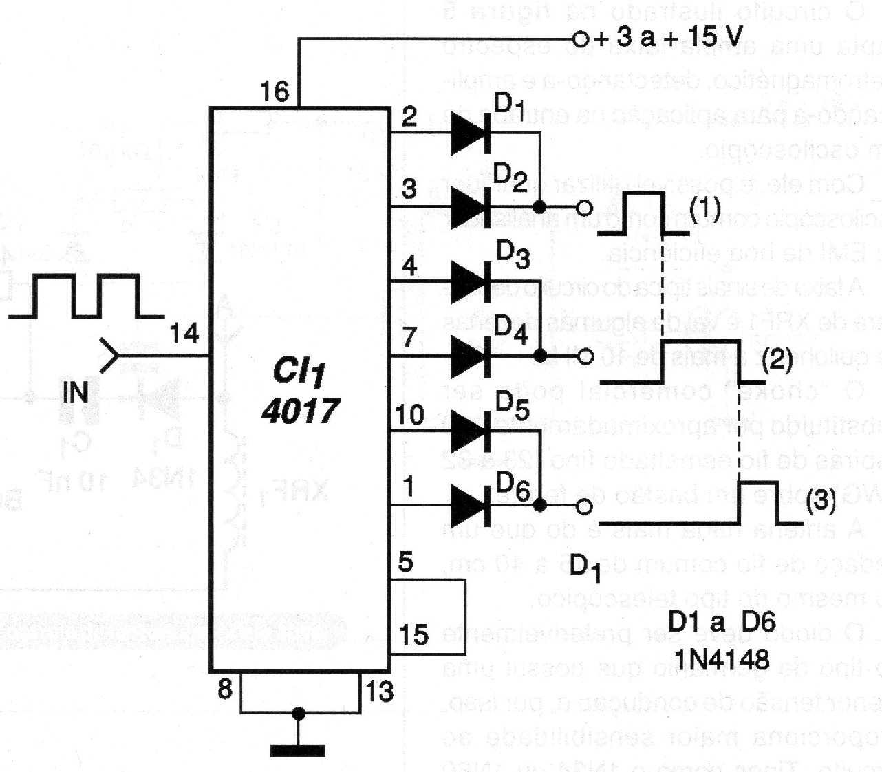
En este ejemplo tenemos el accionamiento utilizando 6 salidas con 3 accionamientos finales dados por los diodos.
Esto significa ciclos de accionamiento para cada salida equivalente a 1/5 del ciclo de reloj externo.
Sin embargo, basados en las 10 salidas y en combinaciones diferentes de diodos podemos obtener más o menos ciclos y con diferentes duraciones, según el control deseado.
También existe la posibilidad de cascatear dos o más 4017 obteniéndose así, 18 o 27 salidas de control, ya que en el cascada sólo 9 salidas pueden ser utilizadas.
Las salidas del 4017 suministran corrientes de 0,88 mA con alimentación de 10 V, valor que debe tenerse en cuenta en el accionamiento de los dispositivos externos de control.
En la figura 2 tenemos una sugerencia de placa de circuito impreso para el caso específico del circuito dado como ejemplo.
Recordamos que la frecuencia máxima de entrada está alrededor de 7 MHz para una alimentación de 10 V.
No hay límite para la frecuencia mínima, pudiendo ser utilizado un divisor con el 4020 para obtener períodos extremadamente largos de accionamiento para los circuitos controlados.
LISTA DE MATERIAL
CI- 4017 - circuito integrado CMOS
D1 a D6 - diodos 1N4148 o equivalentes
Varios:
Placa de circuito impreso, soldadura, etc.





