De la misma forma que podemos regular la tensión en la rama positiva del circuito, podemos tener la regulación negativa.

   Para ello, podemos contar con los circuitos integrados de la serie 79xx, donde el xx puede variar de 05 a 15 indicando, tensiones de 5 a 15 V.

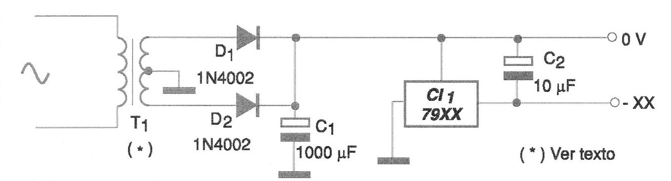
   En la figura 1 tenemos el circuito completo de una fuente negativa de tensión, usando un CI de la serie 79xx.

 


| Clique na imagem para ampliar |

 

 

   Es necesario observar que la disposición de los terminales en los CIs 79xx es diferente de los CIs 78xx.

   La placa de circuito impreso para el montaje de esta fuente se muestra en la figura 2.

 


| Clique na imagem para ampliar |

 

   El circuito integrado debe estar dotado de un radiador de calor apropiado y el condensador de desacoplamiento de salida puede tener valores diferentes de lo indicado, según el fabricante del CI.

   El transformador debe tener un devanado secundario con una tensión de al menos 2 V a más que la tensión que se desea en la salida de la fuente, es decir, la tensión del regulador utilizado.

 

 

Lista de material

 

CI-1 - 79xx - circuito integrado regulador de tensión negativa

D1, D2 - 1N4002 - diodos rectificadores

T1 - Transformador - ver texto

C1 - 1 000 uF - capacitor electrolítico

C2 - 10 uF x 16 V - capacitor electrolítico

F1 - 500 mA - fusible

Varios:

Placa de circuito impreso, radiador de calor para el circuito integrado, zócalo para el fusible, cable de alimentación, hilos, soldadura, etc.