Usted puede montar su propia lámpara de LEDs simples, usando hasta 5 LEDs de alta luminosidad con el circuito que describimos a continuación.
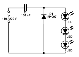
Este circuito aprovecha la reactancia capacitiva de un capacitor, cuyo valor dependerá del brillo deseado. Para LEDs comunes con cadenas de hasta 100 mA, se recomienda experimentar valores entre 100 nF y 1 uF.
Se debe utilizar un capacitor de poliéster con tensión de trabajo de al menos 250 V si la tensión de la red de energía es de 110 V. Si la tensión de la red es de 220 V, se debe utilizar un capacitor de al menos 350 V.
No utilice capacitores de otros tipos. El diodo en paralelo con el LED puede ser cualquiera del 1N4004 al 1N4007. Este diodo impide que el LED sea polarizado en sentido inverso con una tensión mayor que 5 V.
En la figura tenemos el circuito y el montaje. En esta figura aparece un LED sólo, pero se pueden conectar hasta 5 LED en serie, sin problemas. Para más LED se deben realizar pruebas. En algunos casos, este número puede llegar hasta 10.
En la figura conectamos los LED a una toma, en cuyo caso podremos elaborar una pequeña luminaria, pero en lugar de la toma podemos hacer una adaptación para un zócalo.
También podemos incrustar el circuito en un interruptor de pared, como muestra la figura 2.
En el montaje, tenga cuidado con la polaridad del diodo y del LED.
En la figura 3 tenemos el circuito para 3 LED.

Lista de material
LED1 - LED común blanco o de otro color (o más LED)
C1 - 100 nF a 1 uF – capacitor de poliéster - ver el texto
D1 - 1N4004 a 1N4007 - diodo
Varios:
Hilos, soldadura, etc.





