Si usamos los viejos transistores de uso general BC548 y BC558 para resolver una serie de problemas generales de la electrónica, no podrían estar ausentes de las soluciones de audio.
Además, estos transistores se pueden encontrar con extrema facilidad en cualquier lugar.
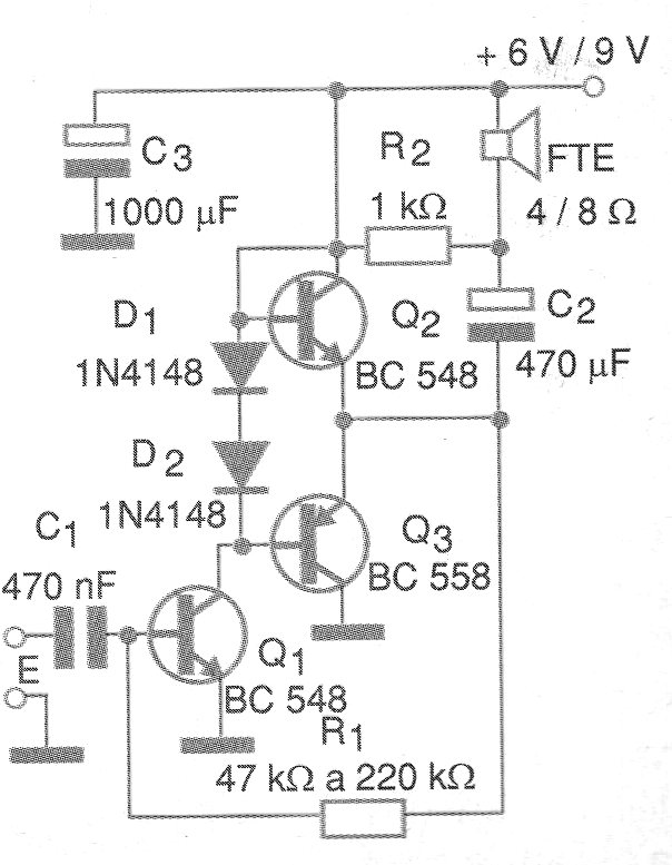
Así, si el lector necesita un pequeño amplificador de audio para un sistema de aviso un intercomunicador, para accionar un transductor en una alarma, donde la potencia quede en el rango de 20 a 200 mW, en la figura 1 tenemos una solución interesante.

En la figura 2 tenemos una sugerencia de placa de circuito impreso para el montaje de ese amplificador.
El resistor de realimentación negativa tanto determina la ganancia del circuito como la corriente de reposo y la distorsión, debiendo su valor ser obtenido experimentalmente en el rango indicado de valores, conforme la tensión de alimentación usada.
Como la potencia es pequeña, no es necesario utilizar el disipador de calor en los transistores de salida.
Dos de estos amplificadores consisten en una excelente solución de amplificador para PC o para un reproductor de CD. Los altavoces deben ser de buena calidad para garantizar una buena fidelidad del sonido.
Si se utiliza una fuente de alimentación, debe tener un excelente filtrado para que no se produzcan roncos.
La impedancia de entrada es del orden de 10 k ohms y la sensibilidad del orden de 100 mV.
LISTA DE MATERIAL
Semiconductores:
Q1, Q2 - BC548 o equivalente - transistores NPN de uso general
Q3 - BC558 o equivalente - transistores PNP de uso general
D1, D2 - 1N4148 - diodos de silicio de uso general.
Resistores: (1/8 W, 5%)
R1 - 47 k a 220 k ohms - (amarillo, violeta, naranja a rojo, rojo, amarillo)
R2 - 1 k ohms - marrón, negro, rojo
P1 - 10 k ohms - control de volumen, potenciómetro (opcional)
Capacitores:
C1 - 470 nF - cerámico o poliéster
C2 - 470 uF x 12 V - electrolítico
C3 - 1 000 uF x 12 V - capacitor electrolítico
Varios:
FTE - 4 ó 8 ohms - altavoz de 5 a 10 cm
Placa de circuito impreso, alimentación de 6 a 9 V, hilos, soldadura, etc.




