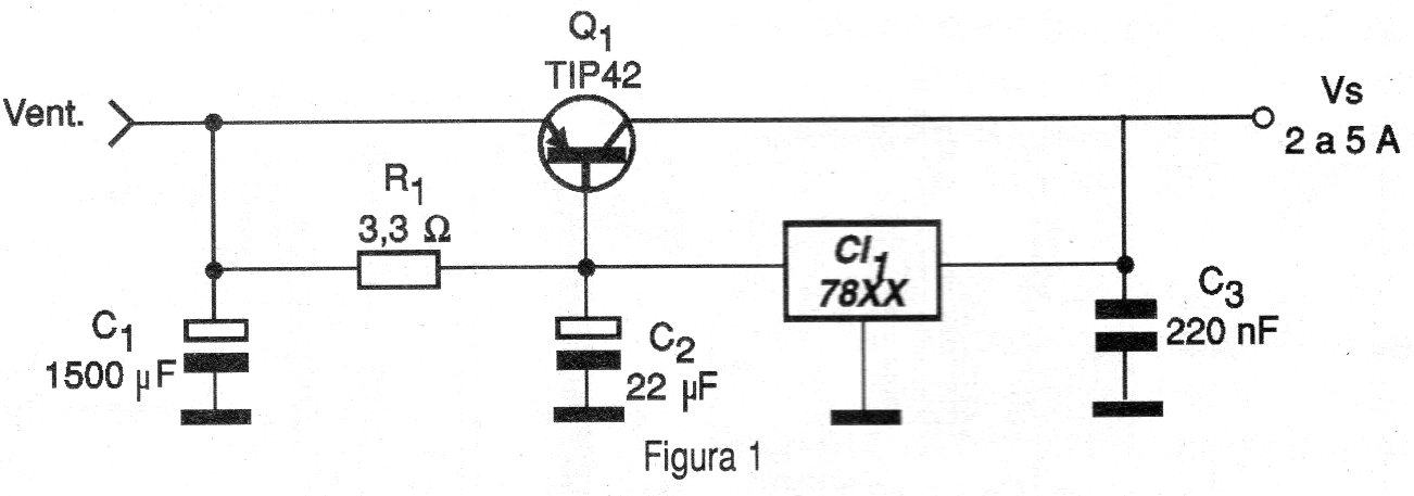
Con la configuración de la figura 1 es posible aumentar la corriente de salida de una fuente con regulador 78XX para corrientes en el rango de 2 a 5 amperios.
El transistor debe montarse en un excelente disipador de calor y la tensión de entrada debe ser entre 2 y 5 V mayor que la tensión deseada en la salida.
El circuito integrado también debe montarse en un radiador de calor. Las pistas de la placa de circuito impreso deben tener anchos compatibles con la intensidad de la corriente que va a ser conducida.
La placa de circuito impreso para el montaje de este regulador reforzado (booster) se sugiere en la figura 2.
Lista de material
Q1 - TIP42 - Transistores PNP de potencia
CI1 - 78XX - circuito integrado regulador de tensión (7805, 7806, 7812, etc.)
R1 - 3,3 ohms x 1 W - resistor de hilo
C1 - 1 500 uF x 16 V - capacitor electrolítico
C2 - 2,2 uF x 16 V - capacitor electrolítico
C3 - 220 nF - capacitor de cerámica o poliéster
Varios: placa de circuito impreso, radiadores de calor, hilos, soldadura, etc.





