Conectando este circuito a la salida de un amplificador a partir de 1 W, dos lámparas de neón parpadearán acompañando el ritmo de la música. El circuito no necesita alimentación, ya que viene de la propia señal de audio del amplificador. Como el consumo es muy bajo, no afectan la potencia de la señal reproducida.
El circuito consiste en un transformador que eleva la tensión de una señal de audio de modo que pueda excitar las lámparas de neón. Estas lámparas necesitan al menos 80 V para encender, pero tienen un consumo extremadamente bajo.
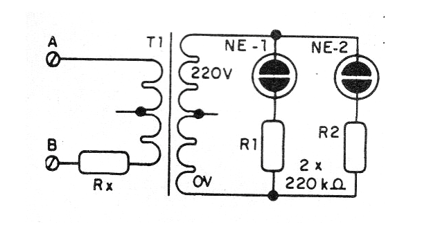
En la figura 1 tenemos el diagrama completo del sistema, para dos lámparas de neón. Pueden usarse más.

El valor de la resistencia Rx depende de la potencia del amplificador, según la siguiente tabla:
El transformador puede ser del tipo utilizado en fuentes con 6 + 6 V de secundario y corriente de 100 mA a 300 mA.
El montaje basado en un pequeño puente de terminales se muestra en la figura 2.
Para utilizar, basta con ajustar el volumen del equipo de sonido para que las lámparas parpadeen.
Lista de material
NE-1, NE-2 - Lámpara neón común, NE-2H o equivalente
T1 - Transformador - ver texto
Rx - ver tabla
R1, R2 - 220 k ohms x 1/8 W- resistores - rojo, rojo, amarillo
Varios: puente de terminales, hilos, soldadura, etc.





