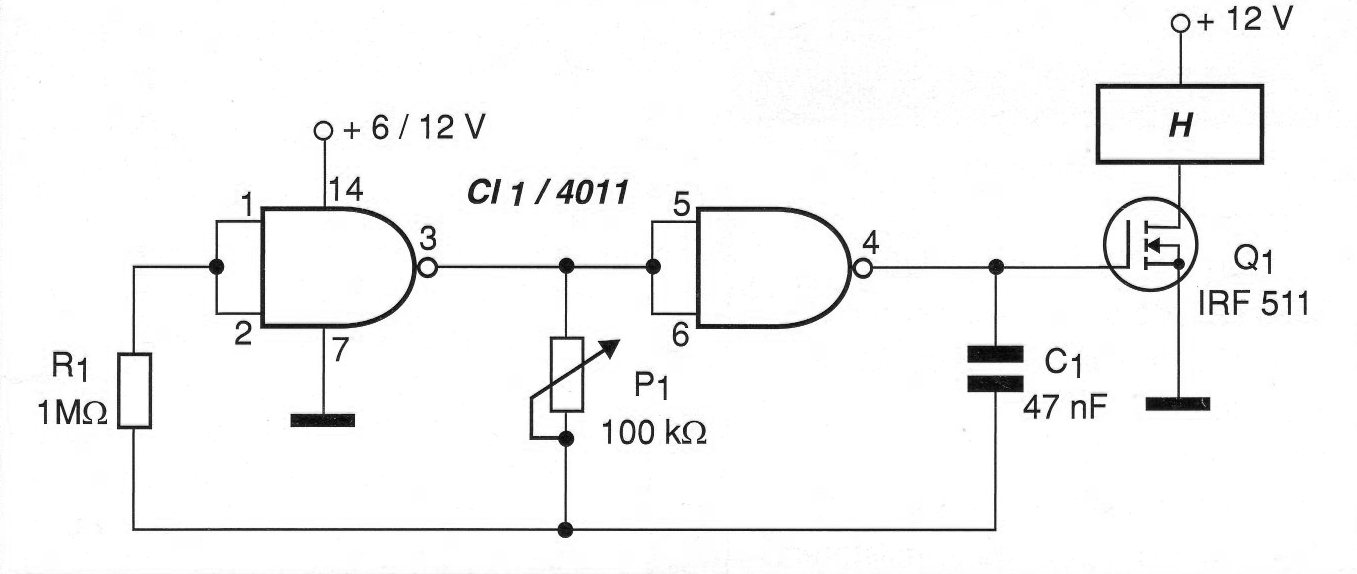
El circuito presentado en la figura 1 puede controlar la velocidad de un motor conectado a un puente H.
Este circuito también puede ser empleado en el control directo de motores de corriente continua con corrientes máximas que dependen sólo del transistor de efecto de campo usado.
Las corrientes de hasta 10 A pueden ser controladas, con motores no sólo de 12 V, pero incluso con tensiones mayores.
La banda de control debe ser obtenida experimentalmente en función del valor del capacitor C1.
Dependiendo del motor, los cambios de valor de este componente pueden ser necesarios para evitar la vibración del motor a velocidades muy bajas.
La fuente de alimentación del 4011 debe ser de 6 a 12 V con un campo común en relación a la fuente que alimenta el motor, la cual puede tener tensiones diferentes.
En la figura 2 tenemos una sugerencia de placa de circuito impreso para el montaje de ese control.
Los transistores de efecto de campo pueden ser de cualquier tipo de canal N y debe estar dotado de radiador de calor compatible con la corriente controlada.
LISTA DE MATERIAL
CI-1 - 4011 - circuito integrado CMOS
Q1 - IRF511 - transistores de efecto de campo de potencia - o equivalente
R1 - 1 M ohms x 1/8 W - resistor - marrón, negro, verde
P1 - 100 k ohms - pote
C1 - 47 nF - capacitor de cerámica o poliéster
Varios:
Placa de circuito impreso, radiador de calor, hilos, soldadura, etc.





