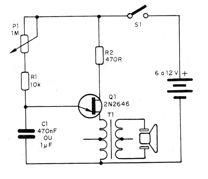
Los buzzers piezoeléctricos presentan un rendimiento mayor con señales de tensión más altas. El circuito presentado puede servir como metrónomo, marcador de ritmo para gimnasia y tiene como base un transistor unijuntura excitando un bocina a través de un pequeño transformador.
La frecuencia de los pulsos se puede ajustar en una amplia gama de valores a través de un potenciómetro o trimpot y la alimentación se puede hacer con tensiones entre 6 y 12 V. En la figura 1 tenemos el diagrama completo del oscilador.
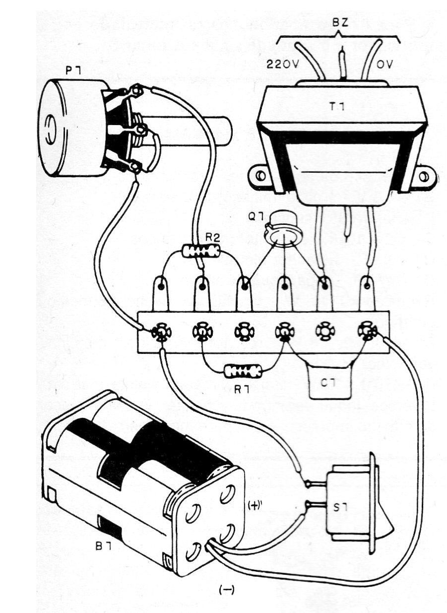
El capacitor C1 se carga a través de R1 y R1 hasta el punto de disparo del unijuntura. Con el disparo se produce la descarga a través del transformador. En la figura 2 tenemos la disposición de los componentes en un puente de terminales.
El transformador es del tipo de alimentación con primario de 110 V o 220 V y secundario de 5 a 9 V con corriente entre 50 y 300 mA. También se puede utilizar un pequeño transformador de salida para transistores. La bobina de baja tensión se conecta al transistor.
El buzzer es del tipo cerámico y el capacitor puede ser de cualquier tipo. Para una alimentación de 4 pilas utilice soporte apropiado. En el montaje, observe las posiciones correctas de los componentes.
Lista de material
Q1 - 2N2646 - Transistores unijuntura
T1 - Transformador - ver texto
BZ- Buzzer o transductor piezoeléctrico
S1 - Interruptor simple
B1 - 6 a 12 V - pilas, batería o fuente
P1 - 1 M ohms-potenciómetro
R1 - 10 k ohms x 1/8 W - resistor - marrón, negro, naranja
R2 - 470 ohms x 1/8 W - resistor - amarillo, violeta, marrón
C1 - 470 nF a 1 uF- capacitor de poliéster o electrolítico
Varios: puente de terminales, soporte de pilas, hilos, soldadura, etc.





