Con sólo un transistor (PNP o NPN) usted puede hacer un teléfono de juguete con buen rendimiento gracias a la amplificación del sonido. El sistema es alimentado por pilas y el cable entre las estaciones puede tener hasta más de 50 metros de longitud.
En la figura 1 tenemos el circuito básico usando un transistor NPN. Para utilizar un transistor PNP basta con invertir la polaridad de las pilas y de los capacitores electrolíticos.
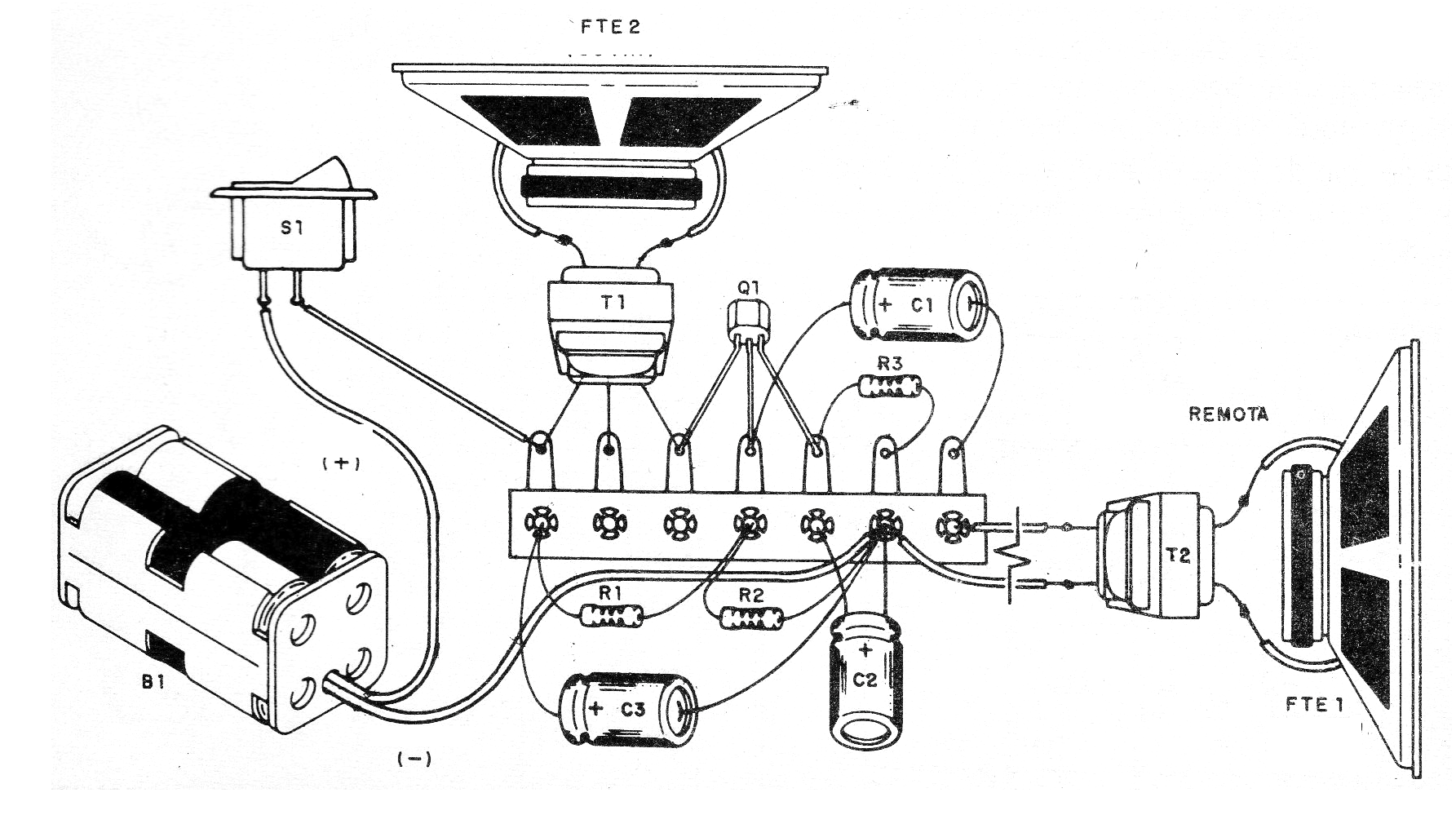
El montaje se puede realizar en un pequeño puente de terminales aislados y el conjunto instalado en una pequeña caja plástica. La disposición de los componentes en el puente se muestra en la figura 2.
Para la comunicación bilateral deben montarse dos unidades similares. Sin embargo, se puede adaptar una clave hablar-oír que invierte la función de los altavoces. En la figura 3 mostramos cómo usar dos circuitos en un sistema telefónico.
Los transformadores son del tipo de salida encontrados en radios transistorizados antiguos, pero incluso transformadores que tienen un devanado de alta tensión (110 V o 220 V) y uno de baja (5 a 12 V) pueden ser experimentados. Los demás componentes son comunes y los altavoces deben ser pequeños para una mayor facilidad de manejo.
Lista de material
Q1 - Transistores NPN o PNP de uso general - ver texto
T1, T2 - Transformadores - ver texto
FTE1, FTE2 - Altavoces pequeños
S1- Interruptor simple
B1 - 4 pilas pequeñas
C1, C2 - 47 uF x 6 V o más - capacitores electrolíticos
C3 - 100 uF x 6 V o más - capacitores electrolítico
R1 - 22k ohms x 1/8 W - resistor - rojo, rojo, naranja
R2 - 4k7 x 1/8 W - resistor - amarillo, violeta, rojo
R3 - 100 ohms x 1/8 W- marrón, negro, marrón
Varios: puente de terminales, soporte de pilas, caja para montaje, hilos, soldadura, etc.






