Este circuito simple hace que un LED parpadee al ritmo de la música de pequeños aparatos de sonido como radios portátiles, grabadores, MP3, etc. El circuito funciona con 4 pilas comunes que tendrán buena durabilidad, pues el consumo es bajo.
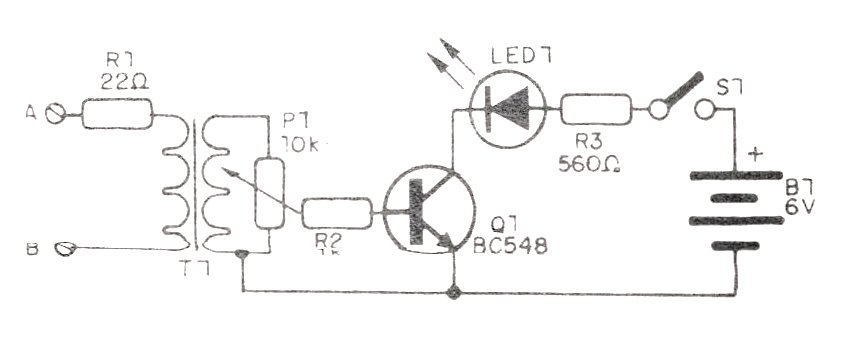
El potenciómetro tiene por objetivo ajustar el nivel de la señal para que el encendido del LED ocurra de la forma deseada. Para cada volumen en el aparato de sonido, debemos reajustar este potenciómetro. En la figura 1 tenemos el diagrama completo del aparato.
En la figura 2 tenemos el montaje sobre la base de un pequeño puente de terminales.

El transformador puede ser un pequeño transformador que se utiliza en la fuente con un primario de 110 V o 220 V y secundario de 5 a 12 V con corriente de 50 a 250 mA. El resistor R1 depende de la potencia del sonido, pudiendo tener valores entre 10 ohms y 100 ohms. Este resistor debe obtenerse experimentalmente.
La conexión del circuito se realiza como se muestra en la figura 3.
Lista de material
Q1 - BC548 - transistores NPN de uso general
T1 - Transformador - ver texto
B1- 6 V - 4 pilas pequeñas
S1- Interruptor simple
P1 - 10 k ohms o 22 k ohms - potenciómetro
R1 - 22 ohms x / 8 W-resistor - rojo, rojo, negro
R2 - 1 k ohms x 1/8 W-resistor - marrón, negro, rojo
R3 - 560 ohms x 1/8 W-resistor - verde, azul, marrón
Varios: puente de terminales, soporte de pilas, caja para montaje, hilos, soldadura, etc.





