Muchos proyectos que utilizan circuitos integrados de amplificadores operacionales, como el 741, CA3140, etc., necesitan una fuente de alimentación simétrica, es decir, que proporcione tensiones positivas y negativas. Estas fuentes son especiales y es justamente una de las que describimos en este artículo.
Si usted dejó de hacer alguna experiencia con operativos por falta de una fuente propia, que tal montar una y dejarla disponible en su banco. Esta fuente, por no ser estabilizada, proporciona una tensión entre 9 y 13 V de salida, sirviendo para una buena cantidad de experimentos y proyectos.
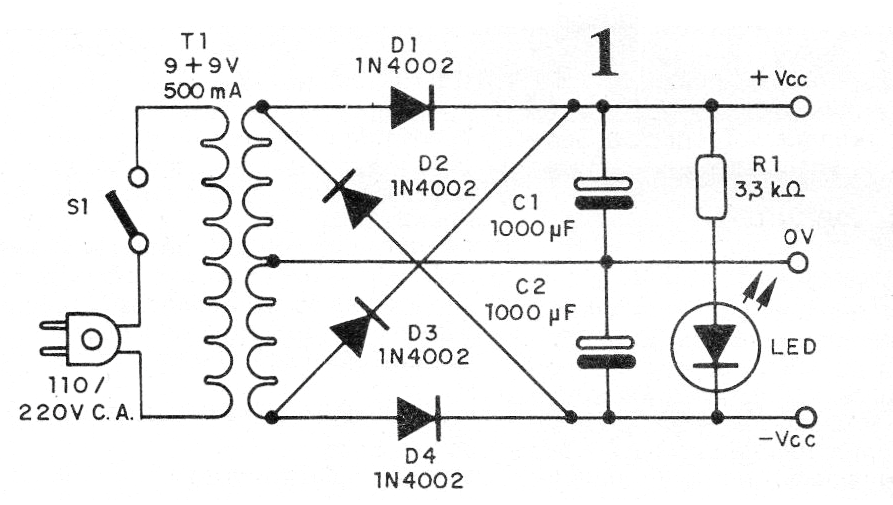
La corriente máxima depende del transformador. En nuestro caso, esta corriente es de 500 mA. La monitorización del funcionamiento se realiza por un LED. En la figura 1 tenemos el diagrama completo de la fuente.
La disposición de los componentes en un puente de terminales se muestra en la figura 2.
En el montaje, observe la polaridad de los diodos, de los capacitores electrolíticos y del LED. El primario del transformador debe ser de acuerdo con la red local.
Para la salida podemos utilizar una barra de terminales con tornillos o bornes de colores diferentes. Una vez montado, mida las tensiones en la salida del circuito. Entre los extremos debemos tener entre 18 y 24 V y entre cada extremo y el centro entre 9 y 12 V.
Lista de material:
D1 a D4 - 1N4002 o 1N4004- diodos de silicio
LED - LED rojo común
R10 - 3,3 k ohms - resistor - naranja, naranja, rojo
C1, C2 - 1 000 uF x 16 V - capacitores electrolíticos
S1- Interruptor simple
T1 - Transformador con primario según la red local y secundaria de 9 + 9 V hasta 500 mA
Varios:
Puente de terminales, hilos, soldadura, cable de alimentación, etc.





