Con sólo dos transistores podremos tener un simple amplificador experimental de baja potencia. Con él podemos excitar un altavoz pequeño, obteniendo algunos miliwatts de potencia a partir de fuentes de señal como micrófonos de electreto, cápsulas cerámicas, pequeños radios, osciladores, etc.
El amplificador también se puede utilizar como un seguidor de señales y audio y su alimentación tanto puede ser hecha por pilas como fuente. Podemos alimentarlo con tensiones de 3 a 6 V y la corriente consumida estará entre 50 y 200 mA.
Como se trata de una configuración muy simple, el rendimiento no es grande, consistiendo mucho más en un montaje experimental que para la elaboración de aparatos que requieran calidad de potencia.
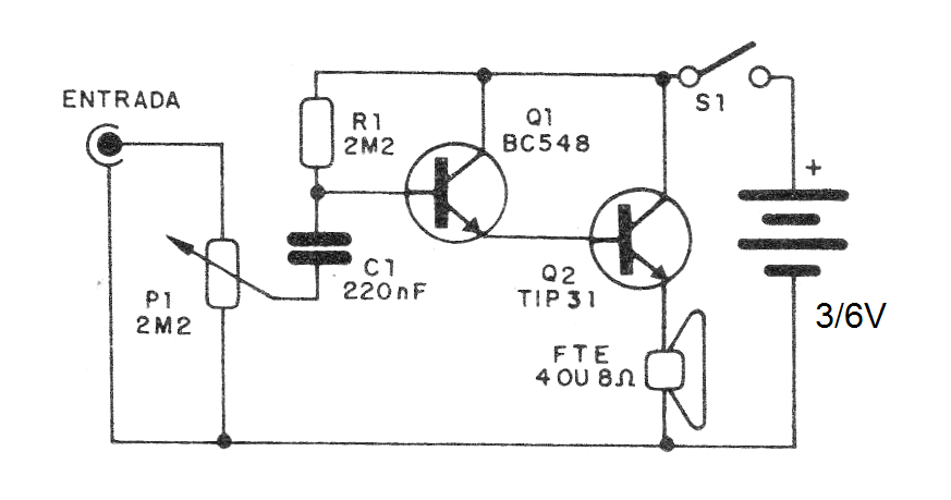
En la figura 1 tenemos el diagrama del amplificador.
El montaje basado en un puente de terminales se muestra en la figura 2.
El radiador de calor en el transistor Q2 será necesario si el circuito se alimenta con 6 V o más. Podemos utilizar hasta 12 V de tensión, pero este caso no debemos usar pilas, pues el consumo sería muy alto y ellas se agotar con facilidad. Es interesante cambiar R1 entre 1 M y 4M7 experimentalmente para obtener el mejor sonido con el menor consumo.
ParaQ1 podemos usar cualquier NPN de uso general como el BC548 y para Q2 PNPs de potencia como el TIP32. Los transistores antiguos también pueden ser experimentados, como los tipos de germanio.
Para probar el amplificador, basta con conectar su entrada a una fuente de señal, ajustándose P1 al volumen deseado. Un altavoz instalado en un pequeño altavoz mejorará el sonido. Si el volumen es demasiado bajo es porque la fuente de señal es insuficiente para excitarlo.
Lista de material
Q1- BC548 - transistores NPN de uso general
Q2- TIP32- transistor PNP de potencia
S1 - Interruptor simple
B1- 3 a 9 V - pilas o fuente
P1- 2M2 - potenciómetro
FTE-altavoz de 4 ó 8 ohms- por lo menos 10 cm
R1- 2M2 x 1/8 W-resistor - rojo, rojo, vede
C1- 220 nF- capacitor cerámico o poliéster
Varios: puente de terminales, soporte de pilas o fuente, disipador para el transistor, garras jacaré, botón para el potenciómetro, caja para montaje, hilos, soldadura, etc.





