Para los lectores que necesitan altas tensiones continuas, una fuente de alimentación de baja corriente puede ser construida con pocos componentes. La fuente descrita proporciona hasta 150 V en la red de 110 V y hasta 300 V en la red de 220 V. La corriente, sin embargo, no debe superar algunas decenas de miliamperios. Newton C. Braga
Lea más:
Los transmisores valvulados de pequeña potencia y otros circuitos similares pueden ser alimentados con esa fuente. Sin embargo, observamos que no está aislada de la red de energía, por lo que se deben tomar las debidas precauciones contra choques accidentales.
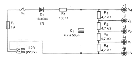
En la figura 1 tenemos el diagrama completo de la fuente.

En la figura 2 tenemos la disposición de los componentes en un puente de terminales.

El diodo debe ser el 1N4004 si la red es de 110 V o 1N4007 si la red es de 220 V.
El capacitor de filtro puede tener valores entre 4,7 uF y 50 uF con tensiones de trabajo de al menos 200 V si la red es de 110 V y al menos 300 V si la red es de 220 V. Los resistores de 4,7, k ohms deben tener disipación de al menos 2 W.
Para la salida usamos bornes aislados. El conjunto debe instalarse en una caja aislada. Su instalación en caja de madera o plástico, bien cerrada es importante.
Para usar, compruebe con el multímetro las tensiones obtenidas en cada poste, anotándolas, ya que pueden variar sensiblemente en función de las tolerancias de los componentes.
Si al conectar algún circuito hay caída de tensión acentuada es señal de que la corriente drenada por ese circuito es mayor que aquella que la fuente puede suministrar. En algunos casos, se puede compensar este problema conectando el equipo en un borne que proporcione una tensión mayor.
No toque ningún punto de la fuente o del aparato alimentado cuando esté en funcionamiento, ya que la fuente no está aislada, pudiendo causar choques peligrosos.
Si desea un aislamiento para mayor seguridad, puede utilizar un transformador para este propósito.
Lista de material
D1 - 1N4004 o 1N4007 - diodo de silicio - ver texto
F1 - 1 A - fusible
S1 - Interruptor simple
R1 - 100 ohms x 1 W - resistor (marrón, negro, marrón)
R2 a R5 - 4,7 k ohms x 2 W - resistores (amarillo, violeta, rojo)
C1 - 4,7 uF a 50 uF - capacitor electrolítico conforme tensión de la red, ver texto
J1, a J5 - Bornes aislados
Varios:
Cable de alimentación, puerto fusible, caja para montaje, hilos, soldadura,



