El circuito que presentamos es ideal para casar la baja impedancia de transductores, tales como micrófonos o incluso captadores telefónicos con la alta impedancia de entrada de un amplificador o incluso de una mesa de sonido común. Newton C. Braga
Lea más:
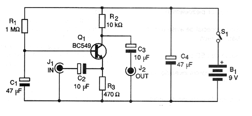
En la figura 1 tenemos el circuito completo de este preamplificador, que puede ser alimentado con una batería de 9 V o a partir de 4 pilas pequeñas.

Como el consumo de corriente es muy bajo, una batería tendrá enorme durabilidad al alimentar este circuito.
Lo que tenemos es un paso amplificador en la configuración de base común. Como se sabe, esta configuración tiene una impedancia de entrada muy baja y una impedancia de salida alta. La ganancia de corriente es baja, pero la ganancia de tensión es alta.
Usamos un transistor de alta ganancia y bajo nivel de ruido para proporcionar mejores resultados. El lector podrá utilizar este circuito adaptador con fuentes de señal de impedancia de hasta 600 ohmios. La resistencia R3 puede tener valores entre 22 ohms y 470 ohms según la impedancia de la fuente de señal.
En la figura 2 damos una sugerencia de placa de circuito impreso para este preamplificador.

Los jack de entrada y salida deben ser de acuerdo con la fuente de señal y el cable utilizado en la interconexión con el amplificador. Una sugerencia es usar los jack RCA.
LISTA DE MATERIAL
Semiconductores:
Q1 - BC549 o equivalente - transistores NPN de bajo ruido
Resistores: (1/8 W, 5%)
R1 - 1 M ohms
R2 - 10 k ohms
R3 - 470 ohms - ver texto
Capacitores:
C1, C4 - 47 μF / 12 V - electrolítico
C2, C3 - 10 μF / 12 V - electrolítico
Varios:
J1, J2 - jack de entrada y salida (RCA)
S1 - Interruptor simple
B1 - 6 o 9 V - pilas o pilas
Placa de circuito impreso, soporte de pilas o conector de batería, caja para montaje, hilos, soldadura, etc.



