Este circuito hace que un relé cierre sus contactos alimentando una carga por un cierto tiempo apagando después. Podemos usar este sistema para conectar algo con retraso, por ejemplo, una alarma, para dar tiempo de salir del sitio antes de que sea activado o bien alimentar una lámpara de un pasillo.
El relé es dimensionado para controlar cargas hasta 6 A lo que resulta en potencias hasta 600 W en la red de 110 V y 1200 W en la red de 220 V. El tiene puede retardo puede variar de algunos segundos hasta más de 1 minuto dependiendo sólo del valor de C1. La alimentación del sistema se realiza por C1.
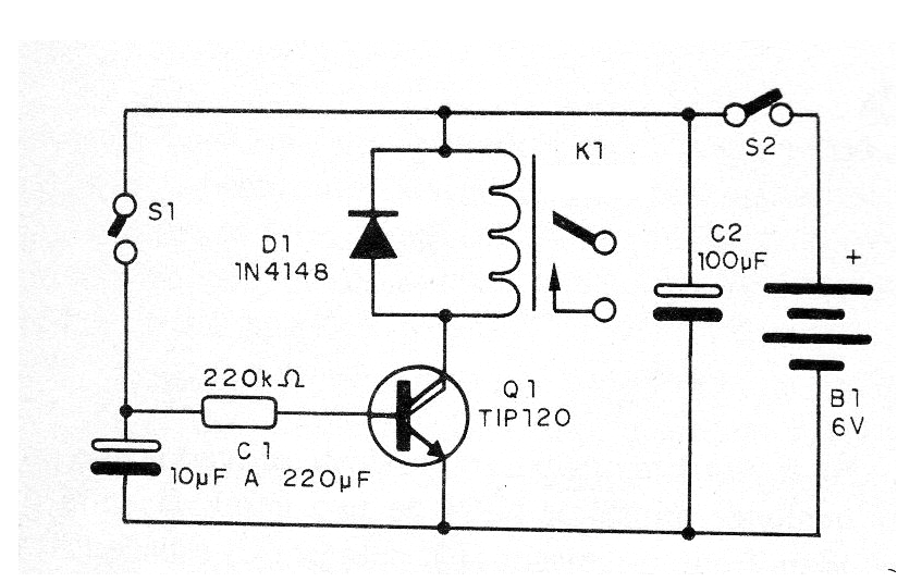
En la figura 1 tenemos el diagrama completo del interruptor con retardo.
En la figura 2 tenemos la disposición de los componentes en una punta de terminales.
Para conectar la carga después de un cierto tiempo, utilice los contactos NF del relé y para apagar utilizar los contactos NA. El consumo del aparato con el relé desactivado es extremadamente bajo. El condensador puede tener valores entre 10 uF y hasta más de 220 uF, siendo el límite del orden de 2 200 uF.
En la figura 3 tenemos el modo de hacer la conexión del relé para encender o apagar la carga después de cierto tiempo.
Lista de material
Q1- TIP120 - Transistores Darlington NPN
D1 - 1N4148 - diodo de uso general
S1 y S2 - Interruptores simples
B1- 6 V - 4 pilas pequeñas
K1 - Relé de 6 V - Metaltex
C1- 10 a 220 uF x 6 V o más - condensador electrolítico
C2 - 100 uF - condensador electrolítico
R1- 220 k ohmios x 1/8 W - resistor - rojo, rojo, amarillo
Varios: puente de terminales, soporte de pilas, cable de alimentación y toma para el aparato controlado, hilos, soldadura, etc.






