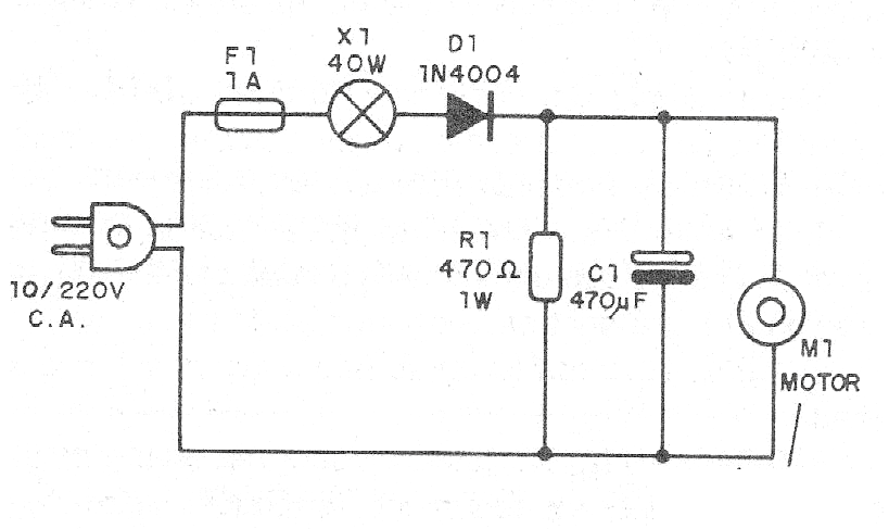
Con este circuito es posible alimentar pequeños motores de corriente continua a partir de la red de 110 V o 220 V sin la necesidad de transformador. La reducción se realiza por una lámpara incandescente (no utilice otro tipo). Observe, sin embargo, que el circuito no está aislado de la red de energía, pudiendo causar choque en quien toque cualquiera de sus partes.
La potencia de la lámpara depende del motor. El lector debe hacer experimentos con lámparas de 25 a 60 W, siendo el normal 40 W, como se indica en el texto. En la figura 1 tenemos el diagrama completo del aparato.
El sentido de giro del motor depende de su conexión. Para invertir la rotación, invierte los hilos. En la figura 2 tenemos el montaje en puente de terminales. Instale el circuito en caja de plástico cerrada.
Lista de material
D1 - 1N4004 (110 V) o 1N4007 (220 V) - diodo de silicio
C1- 470 uF x 100 V o más - capacitor electrolítico
R1 - 470 ohms x 2 W - resistor
F1 - fusible de 1 A
X1 - Lámpara incandescente de 25 W a 60 W - ver texto
M1 - motor de 3 a 12 V - 50 a 400 mA
Varios: puente de terminales, cable de alimentación, soporte para fusible, zócalo para la lámpara, hilos, soldadura, etc.





