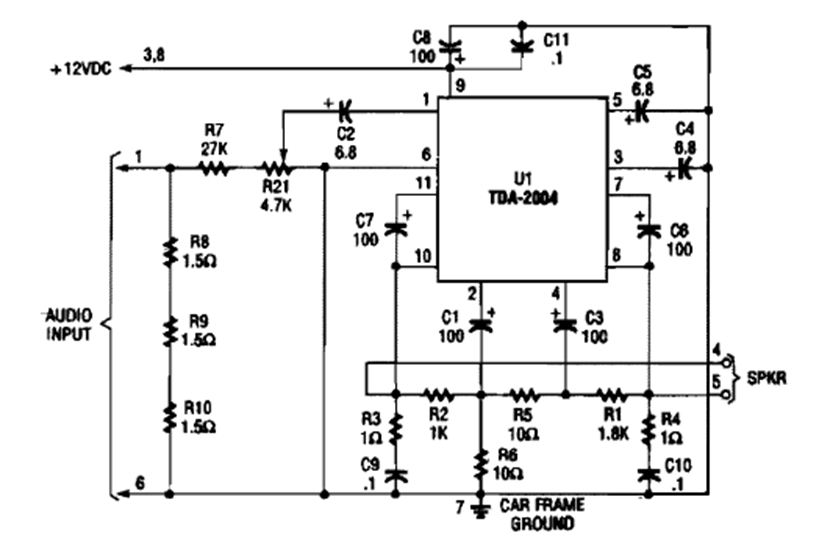
Este amplificador de audio para coche se encontró en un manual de aficionados a la electrónica popular de la década de 1990. El circuito utiliza el TDA2004 para amplificar la salida de radio de los coches de la época.
Un instrumento de utilidad indiscutible en la bancada de reparaciones electrónicas o incluso del...
Otra solución para generar señales rectangulares de algunos hertz hasta 5 MHz aproximadamente es la que hace...
Este circuito simple hace que un LED parpadee al ritmo de la música de pequeños aparatos de sonido...