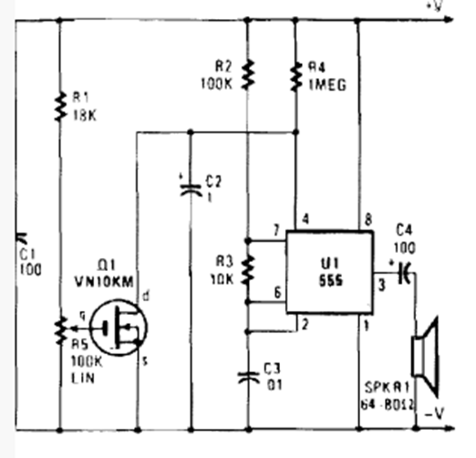
Este circuito, presente en una marca de electrónica popular de la década de 1990, monitorea el voltaje de una fuente de alimentación o batería. La tensión de disparo se ajusta con un potenciómetro.
Un instrumento de utilidad indiscutible en la bancada de reparaciones electrónicas o incluso del...
Otra solución para generar señales rectangulares de algunos hertz hasta 5 MHz aproximadamente es la que hace...
Este circuito simple hace que un LED parpadee al ritmo de la música de pequeños aparatos de sonido...