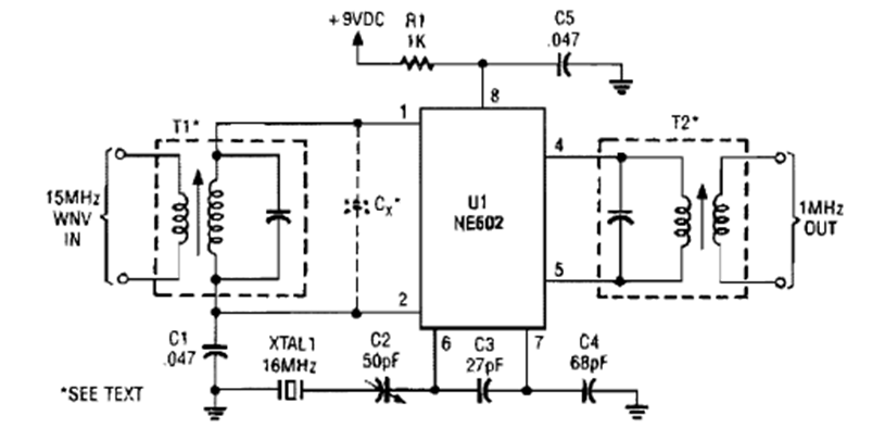
Este convertidor para señales de estaciones de referencia horaria WWV se encontró en Popular Electronics. Las señales de 15 MHz ahora se reciben en una radio de onda media a 1 MHz.
Un instrumento de utilidad indiscutible en la bancada de reparaciones electrónicas o incluso del...
Otra solución para generar señales rectangulares de algunos hertz hasta 5 MHz aproximadamente es la que hace...
Este circuito simple hace que un LED parpadee al ritmo de la música de pequeños aparatos de sonido...