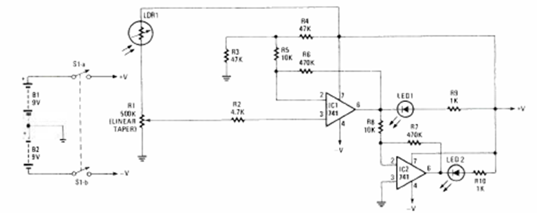
Adecuado para trabajos de fotografía, este circuito es de un Radio Experimenter Special Projects de 1993. El sensor es un LDR y se utilizan dos amplificadores operacionales comunes.
Un instrumento de utilidad indiscutible en la bancada de reparaciones electrónicas o incluso del...
Otra solución para generar señales rectangulares de algunos hertz hasta 5 MHz aproximadamente es la que hace...
Este circuito simple hace que un LED parpadee al ritmo de la música de pequeños aparatos de sonido...