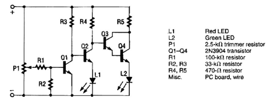
Este circuito de grado automotriz se encontró en una Electronics Hobbyst de 1991. Los transistores son de propósito general. P1 ajusta la tensión de monitoreo.
Este proyecto experimental didáctico muestra cómo es posible implementar con opto-acopladores un flip-flop...
Los pequeños buzzers piezoeléctricos (cerámicos) no poseen mucha potencia sonora, siendo indicados para...
Este oscilador TTL utiliza un resonador cerámico como elemento de fijación de la frecuencia. El...