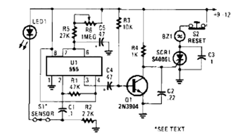
Este circuito basado en el 555 se obtuvo de la Enciclopedia de Circuitos Electrónicos de 1995, volumen 5. Activa un SCR cuando se corta el transistor.
Un instrumento de utilidad indiscutible en la bancada de reparaciones electrónicas o incluso del...
Otra solución para generar señales rectangulares de algunos hertz hasta 5 MHz aproximadamente es la que hace...
Este circuito simple hace que un LED parpadee al ritmo de la música de pequeños aparatos de sonido...