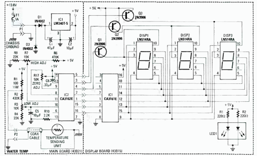
Utilizando un par de convertidores A/D de período, este circuito de 3 dígitos fue encontrado en la revista Radio Electronics Experimenter de 1992. El sensor es un termistor.
Un instrumento de utilidad indiscutible en la bancada de reparaciones electrónicas o incluso del...
Otra solución para generar señales rectangulares de algunos hertz hasta 5 MHz aproximadamente es la que hace...
Este circuito simple hace que un LED parpadee al ritmo de la música de pequeños aparatos de sonido...