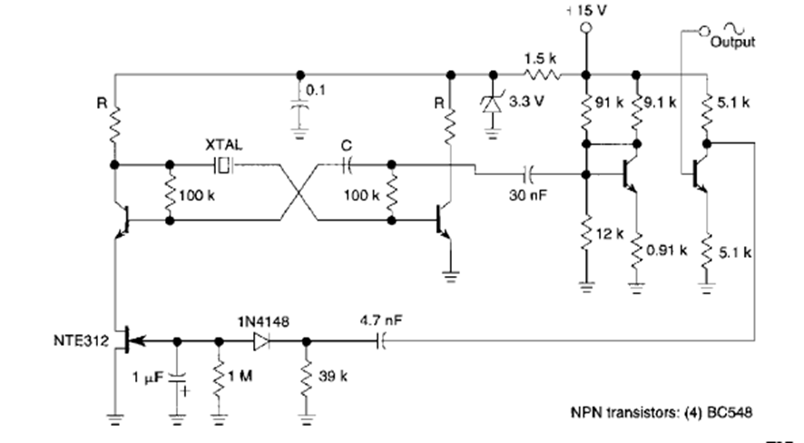
Este circuito oscilador de baja frecuencia se encontró en una Electronic Design de los años 90. Los transistores son comunes y la frecuencia la proporciona el cristal.
Un instrumento de utilidad indiscutible en la bancada de reparaciones electrónicas o incluso del...
Otra solución para generar señales rectangulares de algunos hertz hasta 5 MHz aproximadamente es la que hace...
Este circuito simple hace que un LED parpadee al ritmo de la música de pequeños aparatos de sonido...