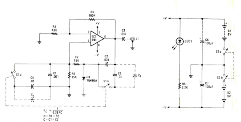
Esta prueba de cinta de casete es de la década de 1990. Fue encontrado en los Radio Electronics Special Projects de 1993. Se muestra la fuente de alimentación simétrica.
Un instrumento de utilidad indiscutible en la bancada de reparaciones electrónicas o incluso del...
Otra solución para generar señales rectangulares de algunos hertz hasta 5 MHz aproximadamente es la que hace...
Este circuito simple hace que un LED parpadee al ritmo de la música de pequeños aparatos de sonido...