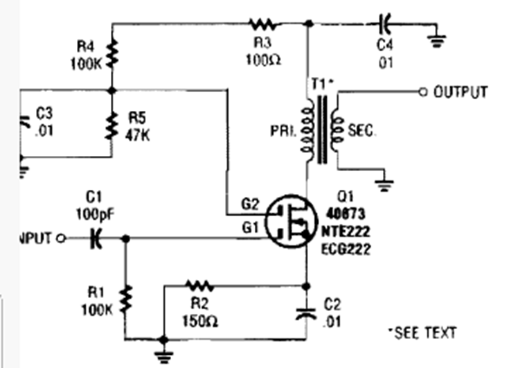
Encontrado en un Popular Electronics de la década de 1990, este circuito utiliza un pequeño transformador adaptado a la impedancia del altavoz que se activa.
Un instrumento de utilidad indiscutible en la bancada de reparaciones electrónicas o incluso del...
Otra solución para generar señales rectangulares de algunos hertz hasta 5 MHz aproximadamente es la que hace...
Este circuito simple hace que un LED parpadee al ritmo de la música de pequeños aparatos de sonido...