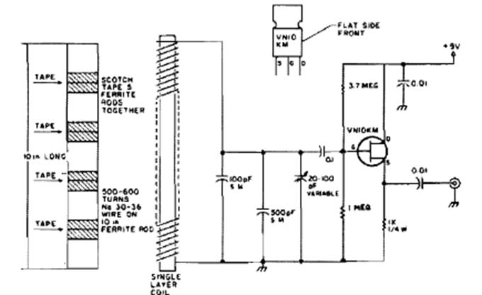
Este circuito para el rango de 60 kHz se encontró en la revista 73 y se publicó en 1995. El circuito utiliza un bastón de ferrita. Observe la dirección de los devanados de la bobina.
Un instrumento de utilidad indiscutible en la bancada de reparaciones electrónicas o incluso del...
Otra solución para generar señales rectangulares de algunos hertz hasta 5 MHz aproximadamente es la que hace...
Este circuito simple hace que un LED parpadee al ritmo de la música de pequeños aparatos de sonido...