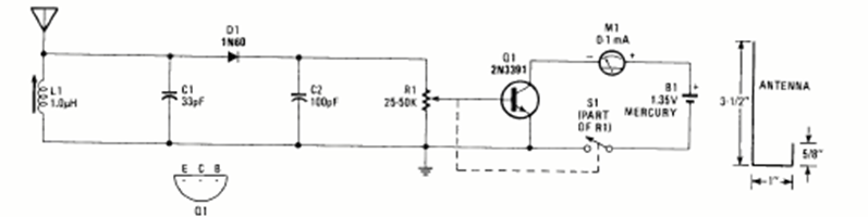
Encontrado en Special Projects de Radio Electronics de 1993, este circuito indicador analógico utiliza un amplificador de transistor. La indicación es para la banda de 27 MHz.
Un instrumento de utilidad indiscutible en la bancada de reparaciones electrónicas o incluso del...
Otra solución para generar señales rectangulares de algunos hertz hasta 5 MHz aproximadamente es la que hace...
Este circuito simple hace que un LED parpadee al ritmo de la música de pequeños aparatos de sonido...