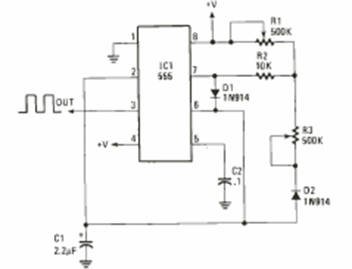
Este oscilador de 60 Hz con dos configuraciones se encontró en los proyectos especiales de Radio Experimenter de 1993. El circuito tiene los rangos de tiempo dados por C1 que se pueden cambiar.
Un instrumento de utilidad indiscutible en la bancada de reparaciones electrónicas o incluso del...
Otra solución para generar señales rectangulares de algunos hertz hasta 5 MHz aproximadamente es la que hace...
Este circuito simple hace que un LED parpadee al ritmo de la música de pequeños aparatos de sonido...