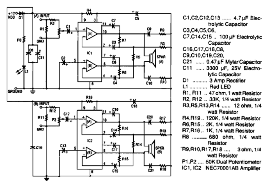
Este amplificador estéreo de 20 W por canal, que utiliza circuitos integrados NEC 70001 AB, se republicó en el PE-Hobbyist Handbook en una edición de la década de 1995. El circuito aparece en varias publicaciones. Esta es de 1995.
Un instrumento de utilidad indiscutible en la bancada de reparaciones electrónicas o incluso del...
Otra solución para generar señales rectangulares de algunos hertz hasta 5 MHz aproximadamente es la que hace...
Este circuito simple hace que un LED parpadee al ritmo de la música de pequeños aparatos de sonido...