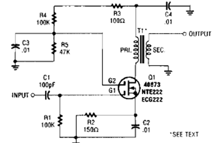
Este amplificador boost se encontró en una revista Popular Electronics de los años 90. El circuito opera hasta 20 MHz, dependiendo de las bobinas utilizadas.
Un instrumento de utilidad indiscutible en la bancada de reparaciones electrónicas o incluso del...
Otra solución para generar señales rectangulares de algunos hertz hasta 5 MHz aproximadamente es la que hace...
Este circuito simple hace que un LED parpadee al ritmo de la música de pequeños aparatos de sonido...