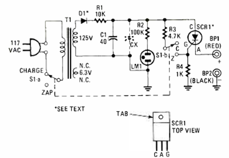
Este cargador de batería se encontró en la Electronics Experimenter Special Projects de 1983. El circuito utiliza un SCR como elemento de control.
Un instrumento de utilidad indiscutible en la bancada de reparaciones electrónicas o incluso del...
Otra solución para generar señales rectangulares de algunos hertz hasta 5 MHz aproximadamente es la que hace...
Este circuito simple hace que un LED parpadee al ritmo de la música de pequeños aparatos de sonido...