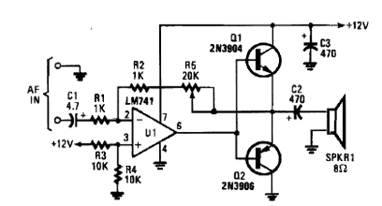
Encontrado en un Popular Electronics de la década de 1990, este circuito utiliza dos transistores para amplificar la potencia de un 741 con señales de audio. La potencia depende de los transistores utilizados, que pueden ser de uso general.
Un instrumento de utilidad indiscutible en la bancada de reparaciones electrónicas o incluso del...
Otra solución para generar señales rectangulares de algunos hertz hasta 5 MHz aproximadamente es la que hace...
Este circuito simple hace que un LED parpadee al ritmo de la música de pequeños aparatos de sonido...