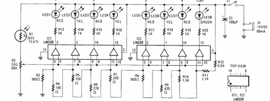
Este circuito para usos fotográficos se encontró en la revista Electronics Experimenter Handbook Special Projects de 1983. El circuito de gráfico de barras alimenta 8 LED.
Un instrumento de utilidad indiscutible en la bancada de reparaciones electrónicas o incluso del...
Otra solución para generar señales rectangulares de algunos hertz hasta 5 MHz aproximadamente es la que hace...
Este circuito simple hace que un LED parpadee al ritmo de la música de pequeños aparatos de sonido...