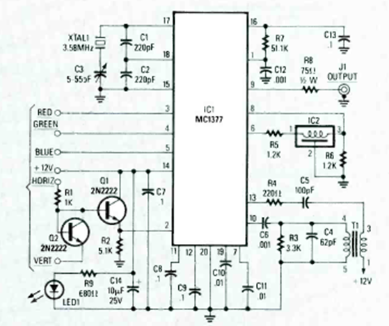
Este circuito se encontró en el manual del experimentador electrónico de 1991. Se puede utilizar para mostrar señales RGB en televisores NTSC antiguos.

Este circuito se encontró en el manual del experimentador electrónico de 1991. Se puede utilizar para mostrar señales RGB en televisores NTSC antiguos.
