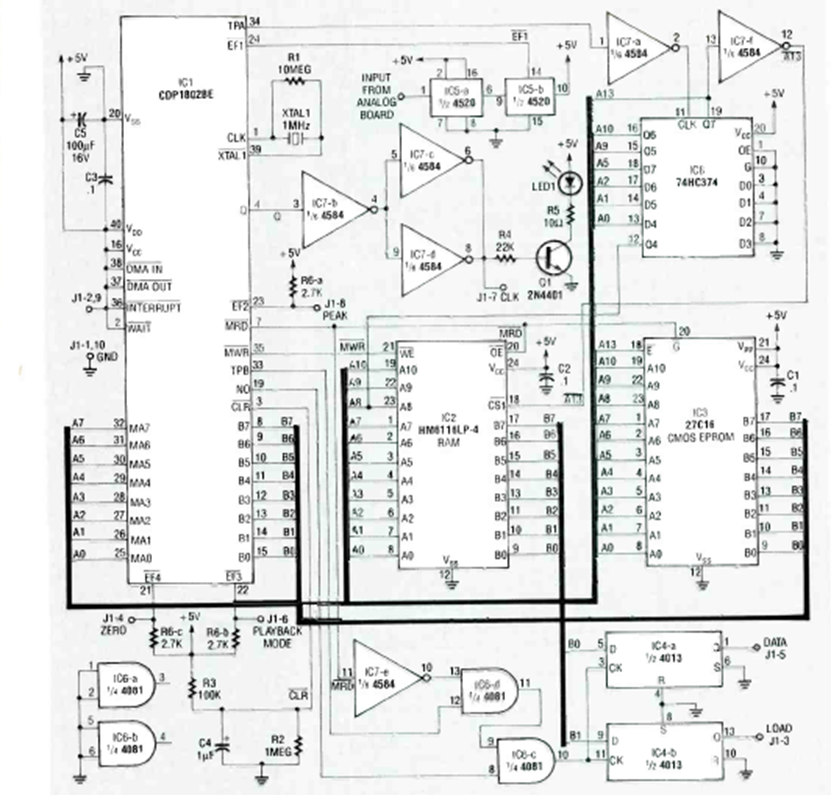
Sirve como referencia, ya que ahora podemos tener soluciones más sencillas y compactas. Este circuito es de un Radio Electronics Experimenterde 1992. Los circuitos integrados son de esa época.
Un instrumento de utilidad indiscutible en la bancada de reparaciones electrónicas o incluso del...
Otra solución para generar señales rectangulares de algunos hertz hasta 5 MHz aproximadamente es la que hace...
Este circuito simple hace que un LED parpadee al ritmo de la música de pequeños aparatos de sonido...