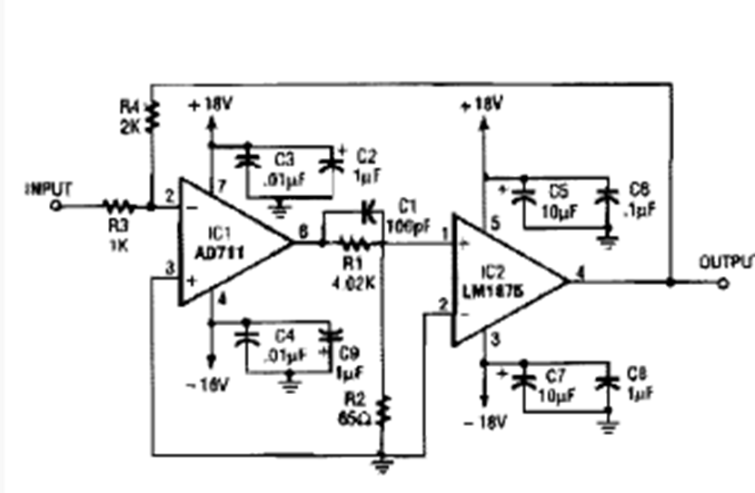
Encontrado en una Electronics Now de la década de 1990, este circuito utiliza un circuito integrado específico de la época que proporciona 10 W con una fuente simétrica de 18 V. El circuito integrado debe estar equipado con un disipador de calor.
Un instrumento de utilidad indiscutible en la bancada de reparaciones electrónicas o incluso del...
Otra solución para generar señales rectangulares de algunos hertz hasta 5 MHz aproximadamente es la que hace...
Este circuito simple hace que un LED parpadee al ritmo de la música de pequeños aparatos de sonido...