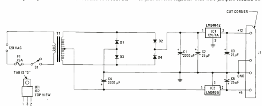
Esta fuente de alimentación para quienes quieran alimentar y recuperar disquetes de 5 ¼ fue encontrada en la edición especial de la revista Electronics Experimenter del año 1983.
Un instrumento de utilidad indiscutible en la bancada de reparaciones electrónicas o incluso del...
Otra solución para generar señales rectangulares de algunos hertz hasta 5 MHz aproximadamente es la que hace...
Este circuito simple hace que un LED parpadee al ritmo de la música de pequeños aparatos de sonido...