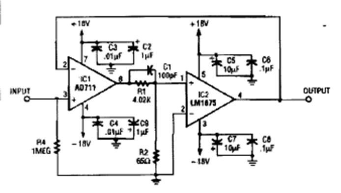
Encontrado en la revista Electronics Now en un número de los años 90, este circuito se diferencia del anterior porque invierte la fase de la señal aplicada al altavoz. La fuente debe ser simétrica a 18 V.
Un instrumento de utilidad indiscutible en la bancada de reparaciones electrónicas o incluso del...
Otra solución para generar señales rectangulares de algunos hertz hasta 5 MHz aproximadamente es la que hace...
Este circuito simple hace que un LED parpadee al ritmo de la música de pequeños aparatos de sonido...