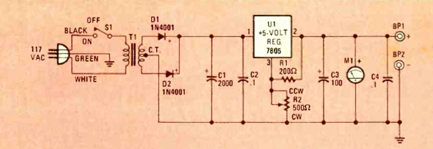
Esta fuente de alimentación para circuitos TTL y CMOS, con un voltaje de 5 a 15 V, se incluyó en la edición de Electronics Experimenter Special Projects de 1983 con una corriente de 1 A. El circuito integrado debe estar equipado con un disipador térmico.




