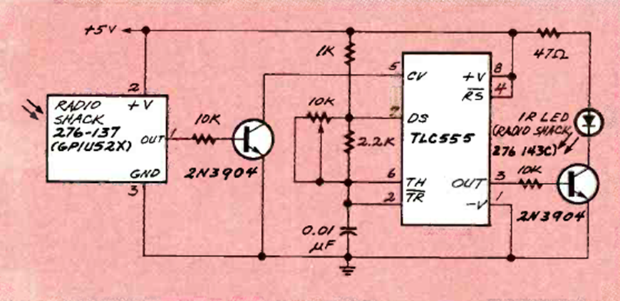
Basado en el 276-137 de Radio Shack, este circuito fue encontrado en la edición de diciembre de 1995 de la revista Electronics Now. El circuito controla un LED, pero podría tener un relé en su lugar.
Un instrumento de utilidad indiscutible en la bancada de reparaciones electrónicas o incluso del...
Otra solución para generar señales rectangulares de algunos hertz hasta 5 MHz aproximadamente es la que hace...
Este circuito simple hace que un LED parpadee al ritmo de la música de pequeños aparatos de sonido...