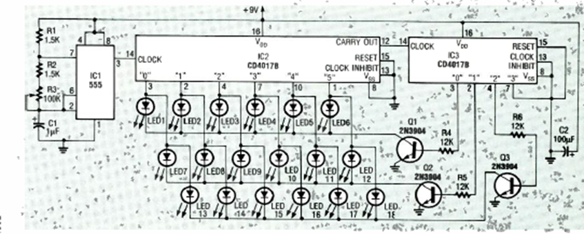
Este interesante circuito de 18 LED multiplexados fue encontrado en la revista Radio Electronics de febrero de 1992. El circuito tiene su velocidad controlada por R3. Los LED forman barras móviles de 6 LED.
Un instrumento de utilidad indiscutible en la bancada de reparaciones electrónicas o incluso del...
Otra solución para generar señales rectangulares de algunos hertz hasta 5 MHz aproximadamente es la que hace...
Este circuito simple hace que un LED parpadee al ritmo de la música de pequeños aparatos de sonido...