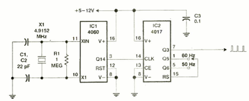
Este circuito basado en cristales puede generar señales precisas de 50 o 60 Hz. El circuito es de una revista Electronics Now de noviembre de 1998. La señal de salida consta de pulsos rectangulares.
Este proyecto experimental didáctico muestra cómo es posible implementar con opto-acopladores un flip-flop...
Los pequeños buzzers piezoeléctricos (cerámicos) no poseen mucha potencia sonora, siendo indicados para...
Este oscilador TTL utiliza un resonador cerámico como elemento de fijación de la frecuencia. El...