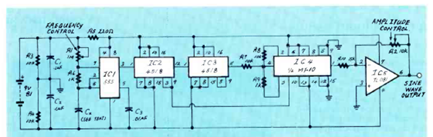
Este circuito genera señales sinusoidales que dependen del oscilador de entrada. El circuito es de una Radio Elecrtronics de abril de 1988. Las señales están en el rango de unos pocos cientos de kilohertz.
Este timbre de tres tonos puede ser ampliado para más sonidos y hasta convertirse en un pequeño órgano...
Este circuito, que se puede utilizar en instrumentos de percusión, tiene el ajuste del punto de...
Los peces pueden ser atraídos por el zumbido que imita el debatir de un insecto en el agua. Este...