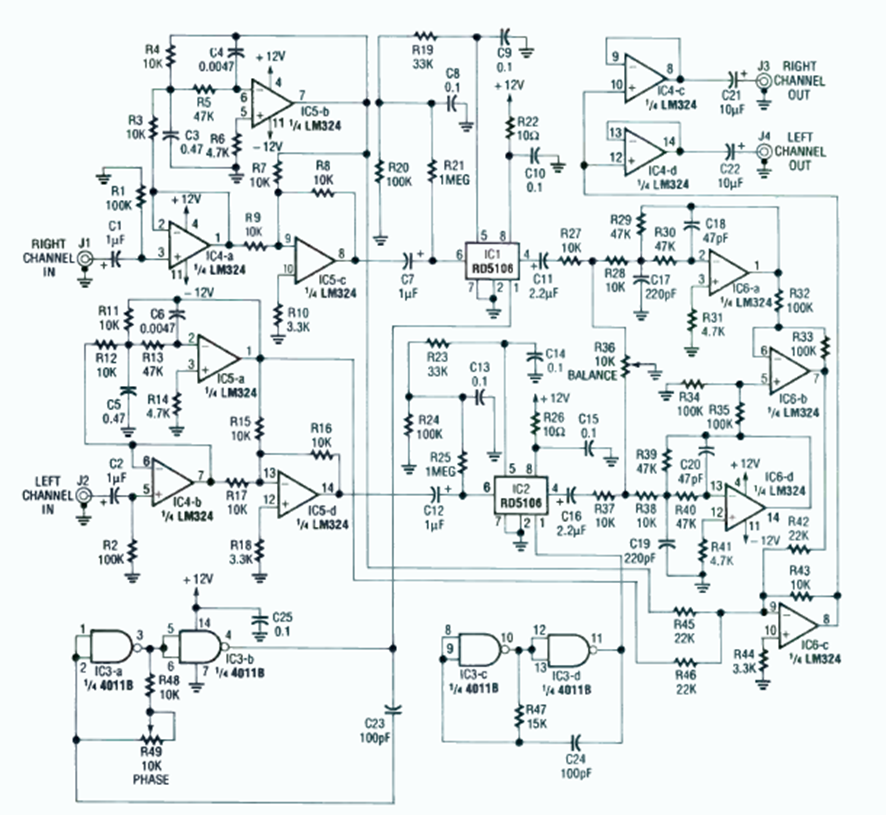
Encontramos este circuito de efectos de voz en la revista Radio Electronics de septiembre de 1990. El circuito funciona con señales provenientes de dos entradas de un sistema estéreo.
Este es un simple montaje didáctico que se puede realizar sobre la base de un puente de terminales o...
Si usted tiene miedo de conectar los aparatos que usted mismo monta directamente en la toma, pues...
Este oscilador puede generar señales de 100 kHz hasta más de 50 MHz dependiendo del cristal usado y del...